아름다운 관광지 서호 근처에 위치한 항저우 자이언트 리프트 주식회사 --- "혁신, 활력, 협력 및 관용"의 도시 항저우...우리는 산업용 리프팅, 자재 운반 제품, 유압 공구 제작 건설 공구 및 전력 건설 공구 당사의 역사는 1999년 영업 부서로 시작되었으며 수십 년 간의 개발 끝에 2019년에 당사는 독립 운영을 시작하고 Giant Lift로 개편되었습니다. 주식회사 더 나은 사업발전을 위해
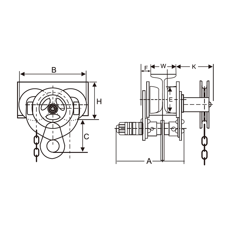
엘 간단히 칼라 수를 조정하여 모든 빔 폭에 맞게 조정할 수 있습니다.
엘 바퀴는 빔의 어떤 모양에도 맞도록 만들어졌습니다.
엘 고급 밀봉 볼 베어링.
엘 낙하 방지 플레이트 포함.
엘 기어드 트롤리의 경우 표준 작동 길이는 3m이며 요청 시 다른 길이도 제공됩니다
















